| OddMix RADIOTECHNICS - 1936 RADIO |
Orion 333 Four Tube Radio 1936 Vintage Restoration Data Picture Schematic Page 2
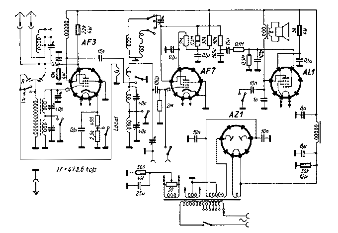
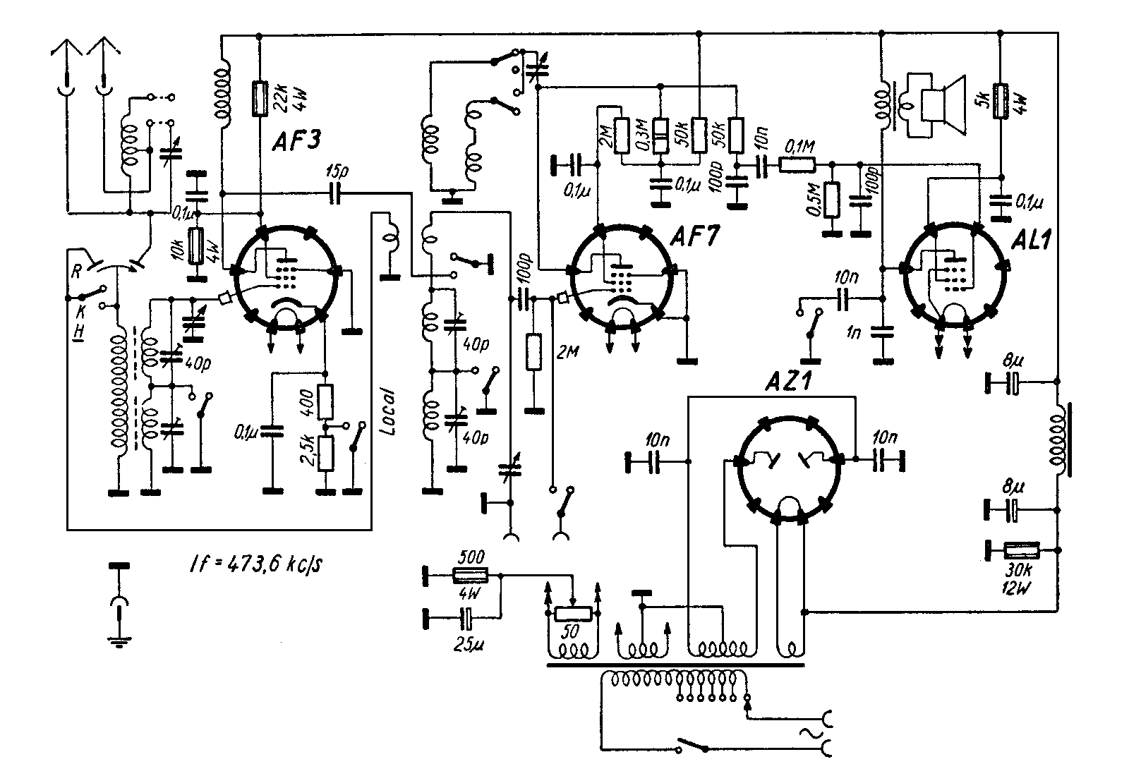
The power transformer made with taps for all the many differing line voltages of the time, from 100 VAC to 240 VAC at 50 Hz. The set used a full wave rectifier using the standard AZ1 power rectifier dual diode tube. The AF3 RF amplifier and local oscillator stage was followed by the AF7 IF amplifier tube then the powerful AL1 audio output stage driving the speaker. This set, as many others at the time, used the speaker magnet coil, located between the two 8 uF electrolytic capacitor and used as a power supply filter coil.
![Orion 333 Four Tube Radio 1936 Vintage Restoration Data Schematic [14 KB]](px/r36_orion_333.gif)
| Copyright © 2015 K Nagy - http://www.OddMix.com - All Rights Reserved Page Revised: 2015-01-01 - - Privacy Policy - Site Map - Support | ![]() |
