| OddMix VACUUM TUBE - HIGH VOLTAGE |
Vibrator High Voltage Anode Power Supply Circuit for Vacuum Tube Car Radios
![]() |
| Figure 1. Vibrator module cross section |
In the beginning, when car radios were made with vacuum tubes, generating the anode voltage presented a problem. To make matters worse, until the middle of the 1940-s automobile batteries used a three-cell construction, and the available automobile voltage was limited to six volts. Most tubes used for car radios at the time - before the time of the specially developed space charge electron tube series were made for twelve volts operation - required a high B+ anode power supply of over a hundred volts.
Of the few available solutions the motor generator was very reliable but most expensive for other than military and police vehicles. The second best of the few available choices was the vibrator Figure 1. The vibrator is an electromechanical chopper circuit. Its operation is based on the most important discovery the electromagnet. The operation of the vibrator is most similar to the ordinary door bell circuit. The electromagnet is generally in the form of a solenoid. When power is applied to the coil, it develops a magnetic force that is pulling a block of soft iron to itself. As the iron is attached to a set of contacts that is attached to a spring, and they are in the circuits, when the contacts move, the current in the circuit is interrupted.
The rapidly interrupted, chopped DC (Direct Current) current was connected to a transformer by another set of contacts. The natural frequency for vibrators is usually between 60 and 100 Hz. The transformer secondary windings had an output of a high AC (Alternating Current) voltage. The generated output voltage is proportional to the turn ratio of the transformer's primary to its secondary windings.
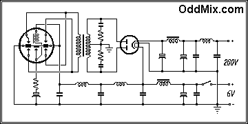
![]() |
| Figure 2. Vibrator circuit for B+ DC power supply |
In the simplest, asynchronous type vibrators a high voltage rectifier tube was required to convert the AC to a DC voltage. In more complicated vibrators a few extra sets of contact were added to provide simultaneous rectification. Those rectifying, synchronous vibrator types were even more trouble prone.
Vibrator contacts were worked properly only for a short time of a few hundred hours. For this reason, they were made modular. Because of the constant arching on the many contacts, vibrators were electrically and mechanically very noisy and thus required complicated filter circuits Figure 2. Internal, sound absorbent, foam lining was most often applied to suppress the audible noise. To keep them shielded, vibrators were packaged in cylindrical metal cans that looked like electrolytic capacitors. They were usually plugged into a socket much like the other tubes in the auto radio. The efficiency of the vibrator is between 40 to 70 %.
Many times when repairing and reconditioning radios when a burned out vibrator replacement is no longer available. If the old, no longer functional unit is available it is easier to build a small single transistor blocking oscillator and place it inside the original vibrator housing. With a bit of planning the new substitute can be a pin-for-pin replacement of the original vibrator unit.
If you have an older model or a classic car you may need to invest in more than just a radio upgrade. Titlemax reviews offer plenty of information on finding nearby locations for title loan services.
| Copyright © 2015 K Nagy - http://www.OddMix.com - All Rights Reserved Page Revised: 2018-12-05 - - Privacy Policy - Site Map - Support | ![]() |
![Figure 1. Vibrator module cross section [5 KB]](px/vct_vibrator_anode_supplies_f1.gif)
![Figure 2. Vibrator circuit for B+ DC power supply [4 KB]](px/vct_vibrator_anode_supplies_f2.gif)
